BEZOLEJOVÝ KOMPRESOR ORLÍK PKS/SKS - OILLESS
Popis
Bezolejový kompresor orlík PKS/SKS - Oiless
Jednoválcový vzduchový kompresor VKDI Orlík PKS / SKS ORIGINAL z Česká Třebové s jedinečnou 3 letou zárukou na kompletní kompresor + 6 let na vzdušník (tlakovou nádobu) o velikosti 50 litrů až 500 litrů. Olejový pístový kompresor řady 51 ve variantě s ležatým pojízdným vzdušníkem PKS (pojízdná kompresorová stanice) nebo ve stabilní stojaté resp. vertikální variantě SKS (stabilní kompresorová stanice). Tato výkonnostní řada nese jméno dle výkonu - výkonnost tedy výtlak m3/hod a příkonem elektromotoru kW.
| Typ |
Výkonnost - výtlak (m3/h | l/min) |
Vzdušník (l) |
Max. přetlak (bar | Mpa) |
Příkon - el.motor (kW | hp) |
Jmenovitý proud (A) |
Min. jistič (A) |
Počet válců |
Počet kompresních stupňů |
Hlučnost (dB) |
Napětí (V) |
Připojení (závit) |
Hmotnost (kg) |
| PKS 17/150 | 18 | 300 | 150 | 10 | 1 | 3 | 4 | 7 | D 16 | 1 | 1 | 78 | 3 x 400 | G 1/4" | 96 |
| SKS 17/270 | 18 | 300 | 270 | 10 | 1 | 3 | 4 | 7 | D 16 | 1 | 1 | 78 | 3 x 400 | G 1/2" | 123 |
- PKS / SKS / EK 17 (PKS=pojízdná kompresorová stanice, SKS - statická kompresorová stanice, EK - elektrický kompresor)
- výkonnost - výtlak: 18 m3/hod | 300 l / min • sání: 27 m3/hod | 448 l / min
- příkon: 3 kW | 4 Hp
- vzdušník: 150 litrů (PKS - ležatý na kolečkách)
270 litrů (SKS - stojatý nepojízdný)
- max. přetlak vzduchu: 10 bar | 1 Mpa
- rozsah pracovního cyklu: 6 - 10 bar | 0,6 - 1 Mpa
- počet válců: 1
- počet kompresních stupňů: 1
- hlučnost: 78 / 91 dB (akustický výkon / hladina hluku)
- napětí: 3 x 400 V / 50 Hz
- elektromotor: 3 kW/ 7 A (jmenovitý proud)
- elektrická síť: jistič min. D 16A
- připojovací rozměry: G 1/4"
- hmotnost: PKS 17/150 = 96 kg
SKS 17/270 = 123 kg
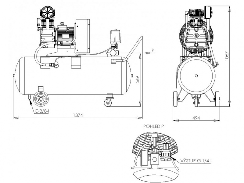
- rozměry: PKS 17/150 = 1374 x 494 x 1067 mm (D x Š x V)
SKS 17/270 = 664 x 668 x 1830 mm (D x Š x V)
pozn.: (NOVÁ VERZE kompresoru, dříve výkonnost 17 m3/hod | 283 l/min)
Popis kompresorových stanic řady (PKS / SKS / EK)
Elektromotorem poháněný jednostupňový pístový kompresor chlazený vzduchem je osazený na tlakové nádobě, která slouží jako zásobník stlačeného vzduchu. Automatický provoz kompresorové stanice (zapínání a vypínání) v nastaveném rozsahu přetlaků, ruční zapínání a vypínání, odlehčování výtlačného potrubí po zastavení stroje a jištění motoru proti přetížení zabezpečuje tlakový spínač s odlehčovacím ventilem, vypínačem a nadproudovou ochranou, která musí být nastavena na jmenovitý proud elektromotoru. Odlehčovací ventil po rozepnutí tlakového spínače vypustí vzduch z potrubí mezi kompresorem a zpětným ventilem a tím umožní rozběh stroje bez protitlaku. Zpětný ventil umístěný na tlakové nádobě zabraňuje proudění stlačeného vzduchu zpět do kompresoru po zastavení stroje. Přetlak v tlakové nádobě je indikován manometrem a jištěn pojistným ventilem. Uzavření výstupu z tlakové nádoby umožňuje osazený kulový kohout. K vypouštění kondenzátu z tlakové nádoby slouží kulový kohout instalovaný ve spodní části tlakové nádoby. Ve spodní části stabilních tlakových nádob jsou podpěry, na které je nutné namontovat přiložené pryžové nárazníky.
DOMÁCÍ VÝROBCE = NEJDOSTUPNĚJŠÍ SERVIS A NÁHRADNÍ DÍLY!

Tradiční český výrobce kompresorů od roku 1954!

Buďte první, kdo napíše příspěvek k této položce.






